Develop Your Next USB-C® PD-Based Charger With Our Reference Design
Today, many devices utilize USB ports to charge or acquire power found present in laptops, cars, docking stations, airplanes and display monitors. USB ports have even replaced traditional power outlets for many small devices like smartphones, tablets and other handheld devices. Higher voltages and power levels are now necessary to meet the demands of USB Power Delivery (PD) chargers for quicker charging and more power-hungry devices.
Rise in Popularity of USB Type-C® Ports and Cables
Since its early development in the 90s, USB has progressively become faster, smaller and more powerful and it is continuing to evolve as it is becoming prevalent among modern electronic devices and equipment. The most recent updates in standards and specifications have resulted in a spike in demand for USB Type-C, or USB-C, making it a forerunner and standard for moving power and data to and from a wide variety of computing devices.
Today, USB Type-C port-based chargers using USB Power Delivery (PD) are gaining popularity over traditional chargers used to charge or power devices such as laptops, display monitors and tablet computers as well as smartphones with power levels ranging from 5 Watts (W) to 100W. Newer versions will attain even higher power levels ranging from 140–240W. Even the smaller, lower power handheld devices like headphones and wearable electronic devices are switching to USB Type-C-based charging systems because of the small size and flexibility that USB-C offers.
In order to carry out conventional USB functions, customers need USB not only to fulfill their data requirements, but also to deliver power to or charge their devices effortlessly. In this post, learn how our highly flexible USB PD dual-port reference design with USB 3.0 support can enable effective applications.
Design Benefits of USB
Higher voltages and power levels are now necessary to meet the demands of USB PD chargers for fast charging and power-hungry devices. With the constant growth and evolution of USB PD over traditional charging methodologies, it is important to understand the different challenges a USB PD design can overcome.
USB PD utilizes power specifications to supply up to 100W with 9V, 15V and 20V support over a USB-C cable and connector. In fact, the USB PD Revision 3.1 specification is a substantial improvement that allows up to 240W (at 48V) of power to be delivered over a full featured USB Type-C cable and connector. The wide power range enabled by USB PD-based chargers to charge or power a wide variety of electronic devices is as follows:
USB PD Power Range |
Fixed Voltage |
Current Range |
Example Devices |
0.5–15W |
5V |
0.1–3.0A |
Headphones, Small USB Accessories |
15–27W |
9V |
1.67–3.0A |
Smartphones, Cameras, Drones |
27–45W |
15V |
1.8–3.0A |
Tablets, Small Laptops |
45–100W |
20V |
3.0–5.0A (Only with rated cable) |
Large Laptops, Displays |
Our USB PD 3.0-based reference designs support up to 100W of power and offer scalability and flexibility for the customers to enable easy upgradation as needed.
With USB PD, connected devices can act as the power supply or power receiver/load based on power requirements or roles. This helps eliminate the need for different power adapters and chargers for different devices. For example, a monitor powered with standard AC power from the wall could power/charge a laptop; a phone using USB PD with a supply from the wall can power, or charge, a laptop while still displaying. This considerably increases convenience while reducing electronic waste, which is a common theme for USB PD designs. Video communications, data transmission and power supply are all enabled using a single USB terminal, providing seamless and simultaneous transmission.
Data/Power Flow in a USB Connection
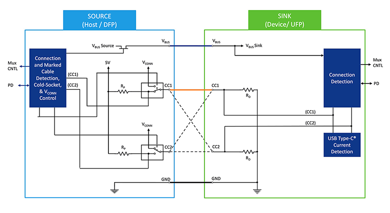
There are three different types of data flow and power flow in a USB connection. If we look at power roles, a sink port is a port that is connected downstream and receives power from VBUS. Typically, an electronic device includes a sink port. A source port supplies power over VBUS. A wall charger is an example of a unit that includes a source port. Additionally, a Dual-Role Power (DRP) port can function as either a sink or source, alternating between the two states. A common case is a laptop that includes a DRP port to receive power to charge the battery while also being able to deliver power and charge external devices or accessories.
Now looking into the data roles, a Downstream-Facing Port (DFP) is the port on a hub or host to which devices connect and send data downstream by sourcing VBUS power (path between device and host). A docking station is an example of a DFP. The Upstream-Facing Port (UFP) connects to the DFP of a hub or host and receives data on a device and usually sinks VBUS. A display monitor is an example of a UFP. The Dual-Role Data (DRD) port can operate as either a DFP or UFP, and the port’s initial power role is determined by the role at the time of first connection. For instance, a source port takes on the data role of a DFP, while a sink port takes on a data role of a UFP, but the data role is swapped dynamically as in smartphones, laptops and tablets which have DRD ports.

Figure 1: USB-C: Host-to-Device Connection
As the intricacy of electronics and technology continues to progress, so do the standards of USB. New features and functions for interfacing computers and devices are steadily being introduced to overcome foreseeable challenges. For instance, Fast Role Swap (FRS) was defined in the USB PD version 3.0 specification to prevent a hub and its devices from encountering an interruption in data communication when power source is removed. When this occurs, the host changes its power role from sink to source and the DRP hub starts sinking power and continues functioning despite the event of loss in power.
To meet the ever-increasing demand for more efficient charging of devices, the Programmable Power Supply (PPS) standard was defined. With the help of PPS, the current and voltage can be varied in real time based on data exchanged every 10 seconds. This allows feeding maximum power based on a device’s charging status. This helps achieve not only faster charging but also lower conversion losses during charging, resulting in lower heating and increased battery longevity.
Different Applications of USB
Smartphones, tablets, laptops and desktops are some common applications attributed to USB charging. However, the modernization of cars now demands the installation of USB-C ports built into the console. Cars being produced each year tend to have on average four ports each which vary with respect to the size of the car manufactured. Without even mentioning second and third row seating with only charging USB ports, automobiles contribute heavily to the growing market volume of USB Type-C. We've developed our own USB PD design that delivers up to 90W of power in dual-port mode and supports 9-18V for automotive applications.
Dual-Port USB-C PD Reference Design
We offer a USB-C PD reference design which is based on the dsPIC33CK128MP505 single-core Digital Signal Controller (DSC). This highly flexible software-based solution implements thermal management and charge balancing in addition to standard features such as overvoltage and overcurrent protection. The design can support 9-18V input for automotive applications and, in dual-port mode, can deliver up to 90W of power. Updated with the recent USB 3.0 specification, our comprehensive solution includes an MCP16331 buck regulator, an MCP1755 LDO, two MCP14700 half bridge gate drivers and the UPD350B transceiver, offering comprehensive support for sink, source, DRP, FRS and PPS.

Figure 2. Dual Port USB-C® PD Reference Design

Figure 3. Differentiating Features (USB-C PD Reference Design)
Conclusion
When it comes to delivering power and transferring data to and from modern electronic devices, USB-Type C is everyone’s top choice due to its flexibility and scalability. As it gains popularity, we will continue to see an increase in the number of USB-C ports, especially for power delivery (USB PD) applications. Our cost- and performance-optimized reference designs paired with our dsPIC33 controller’s optimal peripherals and software flexibility can aid you in your next USB design and help accelerate development. Visit us at our USB PD web page to learn more.